Wet Scrubbers
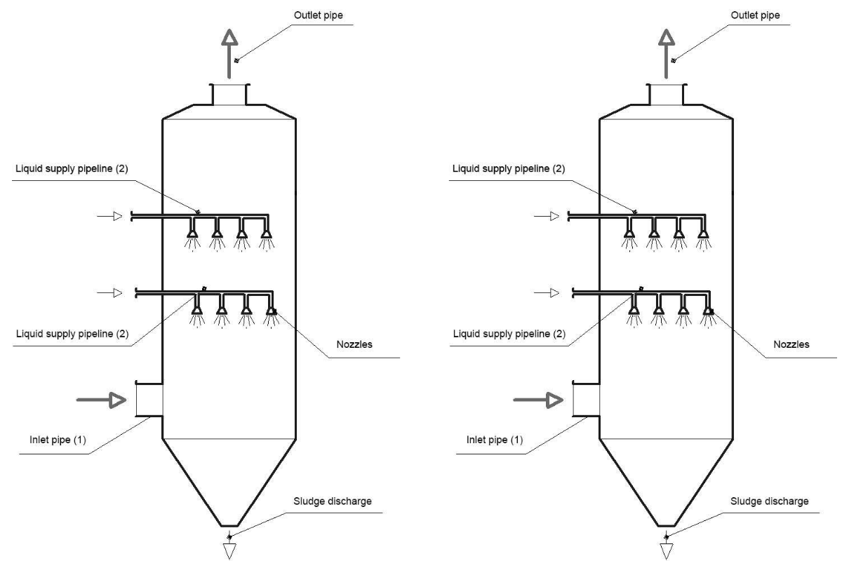
Scrubbers or wet collectors remove particles or grases from exhaust stream by using water sprays. Gases can be absorbed if they are water – soluble or by adding various chamical to the spray

Scrubbers or wet collectors remove particles or grases from exhaust stream by using water sprays. Gases can be absorbed if they are water – soluble or by adding various chamical to the spray