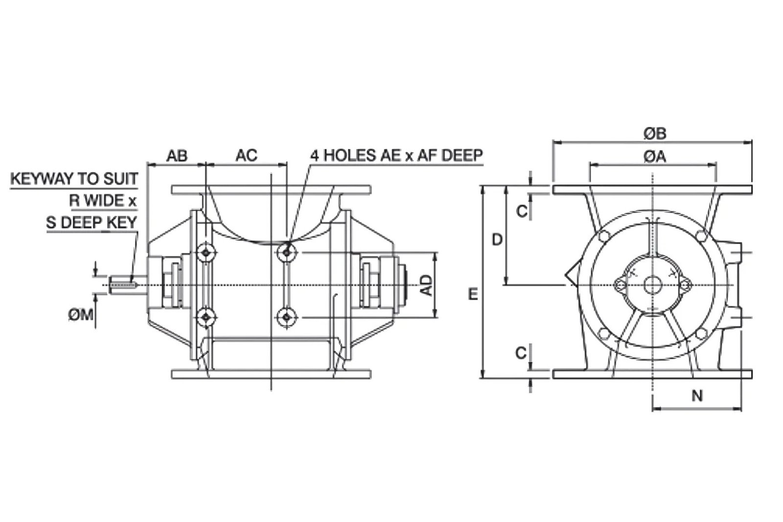
Rotary air lock valve
Rotary feeders , also known as rotary airlocks or rotary valves , are commonaly used in industrial and agricultural application as a component in bulk or specialty material handling system. Rotary feeders are primiarily used for discharge of bulk solid material from hoppers/bins, receivers , and cyclones into a pressure or vacuum- driven pneumatic conveying system. Rotary air lock valve are available from dia 6 inch to 30 inch fabriacated in MS,SS and Cast Iron
